Запасные части ЧТЗ Запасные части ЧТЗ
Ош
Например:
Актобе
Алдан
или
Выбрать автоматически
Актобе
Алдан
Алматы
Алчевск
Архангельск
Астана
Астрахань
Атырау
Баку
Балашиха
Барнаул
Белгород
Бердянск
Бишкек
Владивосток
Владикавказ
Воркута
Воронеж
Горловка
Грозный
Донецк
Екатеринбург
Иваново
Ижевск
Иркутск
Казань
Калининград
Каменск-Уральский
Караганда
Каховка
Кемерово
Киров
Комсомольск-на-Амуре
Костанай
Краснодар
Красноярск
Красный луч
Ленск
Луганск
Магадан
Магнитогорск
Макеевка
Махачкала
Мелитополь
Минск
Мирный (Якутия)
Москва
Мурманск
Нерюнгри
Нижневартовск
Нижний Новгород
Нижний Тагил
Новая каховка
Новокузнецк
Новосибирск
Новый Уренгой
Норильск
Ноябрьск
Нур-Султан
Омск
Оренбург
Ош
Павлодар
Пермь
Петрозаводск
Петропавловск
Петропавловск-Камчатский
Псков
Ростов-на-Дону
Салехард
Самара
Санкт-Петербург
Саратов
Севастополь
Семей
Симферополь
Сочи
Ставрополь
Сургут
Сыктывкар
Тараз
Ташкент
Токмак
Томск
Тында
Тюмень
Ульяновск
Усинск
Усть-Каменогорск
Уфа
Хабаровск
Ханты-Мансийск
Херсон
Челябинск
Чита
Шымкент
Экибастуз
Энергодар
Южно-Сахалинск
Якутск
Ваш город
Ош
Войти
Запасные части к тракторам на одном сайте
+7 (932) 303-00-10
+7 (932) 303-00-10
г. Ош, ул. Артыкова, д. 42
Пн-Пт: 9:30-18:30 Cб-Вс: Выходной
Отправить заявку


Система охлаждения


/
с НДС 20%
Описание
Система охлаждения двигателя Д-160
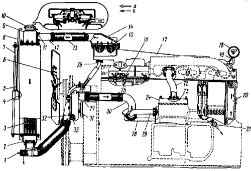
Рис. 17. Схема системы охлаждения
1 – кран радиатора сливной
2 – коллектор нижний
3 – сердцевина радиатора
4 – шторка
5 – тросик
6 – вентилятор
7 – направляющая шторки
8 – трубка тросика направляющая
9 – коллектор радиатора верхний
10 – пробка заливной горловины радиатора с паровоздушным клапаном
11 – трубка паровоздушная
12 – патрубок
13 – шланг соединительный
14 – крышка трубы отвода охлаждающей жидкости
15 – термостат
16 – дефлектор
17 – труба отвода охлаждающей жидкости
18 – указатель температуры охлаждающей жидкости
19 – провод датчика температуры охлаждающей жидкости
20 – полость жидкостной рубашки охлаждения цилиндров дизеля
21 – кран слива охлаждающей жидкости из блока
22 – труба отвода охлаждающей жидкости пускового двигателя
23 – полость жидкостной рубашки головки цилиндров пускового двигателя
24 – двигатель пусковой
25 – полость жидкостной рубашки охлаждения головки блока цилиндров
26 – труба перепускная
27 – патрубок насоса системы охлаждения
28 – крышка распределения охлаждающей жидкости
29 – патрубок подвода охлаждающей жидкости в рубашку цилиндров пускового двигателя
30 – патрубок подвода охлаждающей жидкости в блок цилиндров дизеля
31 – отверстие контрольно-сливное
32 – насос системы охлаждения
33 – отверстие дренажное
а – циркуляция охлаждающей жидкости в системе охлаждения при работе
b – слив охлаждающей жидкости из системы охлаждения.

Система охлаждения дизеля (рис. 17) жидкостная, закрытая, с принудительной циркуляцией охлаждающей жидкости.

Регулирование температуры охлаждающей жидкости автоматическое - термостатами, в зимнее время - дополнительно шторкой и утеплительным чехлом.

Радиатор системы охлаждения трубчато-пластинчатый с паровоздушным клапаном, служащим для повышения температуры кипения и предохраняющим трубки радиатора от разрушения при чрезмерном повышении или понижении давления.

Насос системы охлаждения двигателя Д-160
Рис. 18. Насос системы охлаждения дизеля
1 – валик;
2 – шайба;
3 – пружина;
4, 5 – седла;
6 – шайба уплотнения;
7 – прокладка;
8 – раструб;
9, 19 – гайки;
10 – крыльчатка;
11 – кольцо упорное;
12 – корпус;
13 – гофр уплотнения;
14 – манжета;
15 – кольцо стопорное;
16 – втулка распорная;
17 – шестерня;
18 – подшипник;
А – отверстие контрольно сливное;
В – отверстие дренажное.

Насос системы охлаждения дизеля (рис. 18) центробежного типа. Герметизация жидкости в насосе осуществляется торцовым уплотнением, основными элементами которого являются графито-металлическая шайба 6 и кольцо 11, установленное на валике 1 между двумя медными шайбами для уплотнения стыка и предупреждения коробления.

Вентилятор шестилопастный с ременным приводом от шкива коленчатого вала дизеля. Натяжение ремней осуществляется специальным роликом. При работе не допускается попадание нефтепродуктов на ремни.

Наполнение системы охлаждения

Для охлаждения дизеля во время эксплуатации систему охлаждения заполнить низкозамерзающей охлаждающей жидкостью ОЖ-40 или ТОСОЛ А40М. При температурах окружающего воздуха ниже минус 35°С (но не ниже минус 65°С) применять ОЖ-65 или ТОСОЛ А65М.

Применение воды в системе охлаждения допускается в исключительных случаях. Вода, применяемая в качестве охлаждающей жидкости, должна быть чистой и «мягкой». «Жесткая» вода содержит много минеральных солей, которые, откладываясь на внутренних охлаждаемых поверхностях, уменьшают теплоотдачу, нарушая тем самым тепловой режим работы дизеля. Кроме того, применение «жесткой» воды вызывает интенсивный износ торцового уплотнения системы охлаждения. Для «смягчения» воду необходимо прокипятить, добавить кальцинированной соды (8-10 г на 10 л воды), дать отстояться и профильтровать.

Воду заливать в систему до уровня нижней кромки успокоительного стакана горловины радиатора. Низкозамерзающую жидкость из-за значительного теплового расширения заливают в меньшем объеме: минимально допустимый уровень низкозамерзающей жидкости должен быть на 5 мм, максимальный на 15 мм выше торцов трубок сердцевины радиатора.

При перегреве дизеля не заливать в радиатор холодную охлаждающую жидкость, так как это может привести к образованию трещин в рубашках блока и головках цилиндров.
Система охлаждения